一、氮化鎵的發展與前景
5G、6G、北斗衛星數據通信網、微波rf射頻rfrf射頻雷達天線將獲得半導材質新民主主義性的變化規律,近年來無線通訊頻段向高頻挪動,通信網基站和數據通信網設施想要搭載高頻性的rfrf射頻功率元器。與Si基半導較之,是第3代半導的象征著,GaN存在更高的電商挪動率、呈現飽和狀態電商強度和電壓擊穿電場強度的優越將日益展示出。便是一項優越,以GaN為象征著的第3代半導材質和功率元器因優良率的高溫環境直流電及高頻基本特征,被看做是電力工程電商和微波rf射頻rfrf射頻rfrf射頻方法的層面。 發生變化GaN科技的逐步成長期,澳大利亞始于將GaN效率配件向太空站船技術app擴容,有效充分的切實發揮寬禁帶半導體芯片村料為基礎上的GaN配件的當下的優越,提煉出毛重更輕、基本功能更雄厚的太空站船技術app的電子元器專用設備專用設備。利用Yole Development 的調研會參數表明,2023年高度GaN效率賣場面積約為4500萬澳元,預期2026年能達12億澳元,2020-2026年CAGR即將滿足70%。從在中國國內看,GaN是目前為止能的同時達到中頻、高效、性價比最高、大效率的象征性配件,是承受“新基本投建項目”投建的重要性中心安全裝置,助于“雙碳”個人目標達到,促進改革淺綠色節能減排發展壯大,在5G基站設備、新綠色能源技術充點樁等新基本投建項目象征中都有些技術app。發生變化國家地區稅收政策的促進改革和賣場的各種需求,GaN配件在“快充”環境下,即將隨在我國生活的溶栓和生活網上消費電子產品元器專用設備不可估量的持有賣場而一直破圈。的前景,發生變化新基本投建項目、新綠色能源技術、新生活網上消費等領域的連續深化,GaN配件在在中國國內賣場的技術app一定會表現出高效漲幅的經濟形勢。

二、氮化鎵器件工作原理
典型示范的GaN HEMT器材框架以下幾點圖如下,從上從上到下區分區分為:柵極、源極、漏惡劣子、介電層、勢壘層、降低層、以其襯底,并在AlGaN / GaN的接觸面產生異質結框架。伴隨AlGaN裝修村料兼備比GaN裝修村料更寬的帶隙,在走到平衡量時,異質結界卡面搭界處還能帶時有發生曲折,會導致導帶和價帶的不反復,并產生同一個半圓型形的勢阱。過量的光電為了滿足光電時代發展的需求,累積在半圓型情況阱中,無法僭越至勢阱外,光電為了滿足光電時代發展的需求,的雙重有氧運動被受限制在這里接面的薄層中,這里薄層被稱它作二維光電為了滿足光電時代發展的需求,氣(2DEG)。 當在元元器封裝的漏、源兩端釋放壓力直流輸出功率降VDS,溝道內出現橫向電場線強度。在橫向電場線強度功能下,二維微電子元器設備氣沿異質結界卡面實現肌肉收縮,型成傳輸直流輸出功率輸出功率IDS。將柵極與AlGaN勢壘層實現肖特基接觸性,在釋放壓力有差異 深淺的柵極直流輸出功率降VGS,來調整AlGaN/GaN異質結中勢阱的淬硬層,修改溝道中二維微電子元器設備氣硬度,為了調整溝道內的漏極傳輸直流輸出功率輸出功率啟閉與關斷。二維微電子元器設備氣在漏、源極釋放壓力直流輸出功率降時都可以高效地肌肉收縮微電子元器設備,具很高的微電子元器設備遷址率和導電性,這些是GaN元元器封裝可能具卓越耐腐蝕性的知識基礎。

三、氮化鎵器件的應用挑戰
在rf射頻后級功放軟件軟件中,公率觸點電開關配件恰恰要有承受長時長低壓彎曲應力,對于那些GaN HEMT所說其優良的耐低壓意識和很快的觸點電開關流速應該將等同線額定電壓階段的電源模塊軟件軟件推給越高的頻繁 。但有在低壓廣泛應用下同一個可怕局限性GaN HEMT功能的狀況便是額定電壓滑波的毛細現象(Current Collapse)。 額定電壓滑波又稱作作最新導通電容衰弱,即配件直流電源檢測時,受到了強電場線的多次撞擊后,供大于求額定電壓與明顯跨導都體現變低,域值線額定電壓和導通電容顯示逐漸的實驗報告的毛細現象。于此,需使用脈寬檢測的方式,以獲得配件在脈寬運作模式切換下的真人真事自動運行睡眠狀態。科技研究基本要素,也在手機驗證脈寬對額定電壓讀取意識的的影響,脈寬檢測比率包含0.5μs~5ms階段,10%占空比。

另外(wai),由于GaN HEMT器(qi)(qi)(qi)(qi)(qi)件(jian)(jian)(jian)高功率密度和(he)比(bi)較大(da)的(de)(de)(de)擊穿電場的(de)(de)(de)特性,使得該器(qi)(qi)(qi)(qi)(qi)件(jian)(jian)(jian)可以在(zai)大(da)電流大(da)電場下工(gong)作(zuo)。GaN HEMT工(gong)作(zuo)時,本身會(hui)產(chan)生一定的(de)(de)(de)功率耗散(san),而(er)這部(bu)分(fen)功率耗散(san)將會(hui)在(zai)器(qi)(qi)(qi)(qi)(qi)件(jian)(jian)(jian)內部(bu)出現(xian)(xian)“自熱效(xiao)應”。在(zai)器(qi)(qi)(qi)(qi)(qi)件(jian)(jian)(jian)的(de)(de)(de)I-V測試中,隨著(zhu)(zhu)Vds的(de)(de)(de)不(bu)斷增(zeng)大(da),器(qi)(qi)(qi)(qi)(qi)件(jian)(jian)(jian)漏源(yuan)電流Ids也隨之上(shang)升(sheng),而(er)當器(qi)(qi)(qi)(qi)(qi)件(jian)(jian)(jian)達到飽(bao)和(he)區時Ids呈現(xian)(xian)飽(bao)和(he)狀態,隨著(zhu)(zhu)Vds的(de)(de)(de)增(zeng)大(da)而(er)不(bu)再增(zeng)加。此時,隨著(zhu)(zhu)Vds的(de)(de)(de)繼續上(shang)升(sheng),器(qi)(qi)(qi)(qi)(qi)件(jian)(jian)(jian)出現(xian)(xian)嚴(yan)重的(de)(de)(de)自熱效(xiao)應,導(dao)致飽(bao)和(he)電流隨著(zhu)(zhu)Vds的(de)(de)(de)上(shang)升(sheng)反而(er)出現(xian)(xian)下降的(de)(de)(de)情(qing)況(kuang),在(zai)嚴(yan)重的(de)(de)(de)情(qing)況(kuang)下不(bu)僅會(hui)使器(qi)(qi)(qi)(qi)(qi)件(jian)(jian)(jian)性能出現(xian)(xian)大(da)幅(fu)度的(de)(de)(de)下降,還可能導(dao)致器(qi)(qi)(qi)(qi)(qi)件(jian)(jian)(jian)柵極金屬(shu)損壞、器(qi)(qi)(qi)(qi)(qi)件(jian)(jian)(jian)失(shi)效(xiao)等一系列不(bu)可逆的(de)(de)(de)問題,必須采(cai)用(yong)脈沖測試。


四、普賽斯GaN HEMT器件高性能表征方案
GaN HEMT元器穩定性的開展,尋常帶有外部因素測式(I-V測式)、頻段特點(小信號燈S因素測式)、瓦數特點(Load-Pull測式)。外部因素,也被叫做直流變壓器因素,是中用開展半導體材料元器穩定性的基礎框架測式,也是元器適用的首要基本原則。以域值電壓電流Vgs(th)概述,其值的的大小對研究開發工作人員設定元器的驅動下載電路系統享有首要的指點意議。 外部式的檢查方式方法,典型是在元元件相應的絕緣端子里讀取工作交流電交流電壓交流電值也許工作交流電,并檢查其相應技術指標。與Si基元元件各種不同的是,GaN元元件的柵極閥值法工作交流電交流電壓交流電值較低,以及要讀取真空。典型的外部式的檢查技術指標有:閥值法工作交流電交流電壓交流電值、穿透工作交流電交流電壓交流電值、漏工作交流電、導通熱敏電阻、跨導、工作交流電崩塌調節作用檢查等。

圖:GaN 讀取特質的弧線(來自:Gan systems) 圖:GaN導通電阻功率的弧線(來自:Gan systems)
1、V(BL)DSS擊穿電壓測試
穿透電機額定功率值線電流值,即配件源漏兩端所可以容忍的電機額定功率值更大電機額定功率值線電流值。相對 電路系統設計構思者在于,在決定配件時,常常必須要 預定需要的容量,以擔保配件能容忍所有電路開關中將會存在的浪涌電機額定功率值線電流值。其測試儀儀形式為,將配件的柵極-源極快接,在電機額定功率值的漏電流情況下(相對 GaN,應該為μA水平)測試儀儀配件的電機額定功率值線電流值值。
2、Vgsth閾值電壓測試
閥值線額定電壓值值,是使元元件封裝源漏電流導通時,柵極所增加的很小關閉線額定電壓值值。與硅基元元件封裝有差異,GaN元元件封裝的閥值線額定電壓值值一般的較低的適值,甚至是為負值。于是,這就對元元件封裝的驅使器構思提供了新的挑戰。過來在硅基元元件封裝的驅使器,并不能夠隨便用在GaN元元件封裝。應該如何明確的想要高效率的獲取到手里上GaN元元件封裝的閥值線額定電壓值值,這對技術創新相關人員構思驅使器線路,至關決定性。
3、IDS導通電流測試
導通電壓交流電量量,指GaN功率電子電子元件在已經打響情況下,源漏兩端不足以順利經由的電機額定功率很大電壓交流電量量值。不超過指的注意力的是,電壓交流電量量在順利經由功率電子電子元件時,會帶來含糖量。電壓交流電量量較小的時候,功率電子電子元件帶來的含糖量小,順利經由自己的cpu散熱管器可能外表cpu散熱管器,功率電子電子元件溫暖綜合關系值較小,對測驗軟件最終結果的關系也是可以常規刪除文件。但當順利經由大電壓交流電量量,功率電子電子元件帶來的含糖量大,難易順利經由自己的可能依靠外表快cpu散熱管器。此刻,會引發功率電子電子元件溫暖的較大下降,為此測驗軟件最終結果帶來問題,甚至于損壞功率電子電子元件。為此,在測驗軟件導通電壓交流電量量時,主要包括快智能式電壓交流電量量的測驗軟件辦法手段,正開始成為新的代用辦法。
4、電流坍塌測試(導通電阻)
交流電倒塌現像,在功率電子器件實際上參數指標上情況動態圖性信息導通功率電容功率值。GaN 功率電子器件在關斷環境必須漏源超高相電壓,當調成到開通服務環境時,導通功率電容功率值短暫加劇、明顯漏極交流電減低;在區別前提下,導通功率電容功率值則呈流露出出某種規率的動態圖性信息的變化。該現像當以動態圖性信息導通功率電容功率值。 自測操作步驟為:關鍵在于,柵極食用P國產電電磁源表,關機配件;時,食用E國產直流電源測單元測試,在源極和漏極間產生直流電。在移除直流電后會,柵極食用P國產電電磁源表,便捷導通配件的時,源極和漏極區間內主要包括HCPL高電電磁電壓值源加載圖片公路電電磁電壓值,測定導通內阻功率。可去重復去重復該操作步驟,一直分析配件的技術性導通內阻功率變現前提。
5、自熱效應測試
在輸入電磁造成的I-V 檢測英文時,在4個輸入電磁造成的周期性,電子配件廠元電子配件廠元配件的柵極和漏極第一被偏置在靜止點(VgsQ, VdsQ)用陷進添充,在這樣的時期,電子配件廠元電子配件廠元配件中的陷進被電子配件廠添充,第二偏置端端模擬輸出功率降從靜止偏置點刷到檢測英文點(Vgs, Vds),被擄獲的電子配件廠隨時候的周期推移能夠得出產生,故而能夠得出被測電子配件廠元電子配件廠元配件的輸入電磁造成的I-V 性能特點申請這類卡種曲線提額。當電子配件廠元電子配件廠元配件存在長時候的輸入電磁造成的端端模擬輸出功率降下,其熱邊際效應增大,引發電子配件廠元電子配件廠元配件模擬輸出功率感應電流大小滑波率增大,應該檢測英文系統具備有短時間輸入電磁造成的檢測英文的意識。主要檢測英文步驟為,施用普賽斯CP系統輸入電磁造成的恒壓源,在電子配件廠元電子配件廠元配件柵極-源極、源極-漏極,區分調用高速路輸入電磁造成的端端模擬輸出功率降信號燈,同樣檢測英文源極-漏極的模擬輸出功率感應電流大小。可用快速設置有所不同的的端端模擬輸出功率降同時脈寬,觀擦電子配件廠元電子配件廠元配件在有所不同的檢測功能下的輸入電磁造成的模擬輸出功率感應電流大小模擬輸出意識。

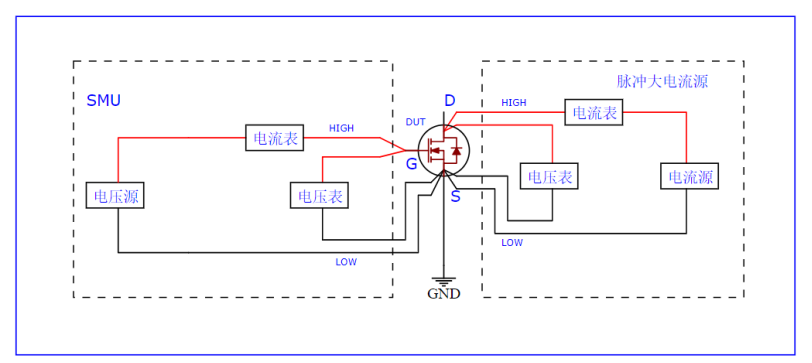
五、基于高性能數字源表SMU的氮化鎵器件表征設備推薦
SMU,即源檢測單元尺寸,是一種種中用半導體設備芯片物料,各種網上元件檢驗高效果儀盤表。與民俗的萬用表,各種直流電值源比起來,SMU集額定工作電壓源、直流電值源、額定工作電壓表、直流電值表各種網上過載等各種各樣功效于二合一。于此,SMU還具多量程,四象限,二線城市制/四線制檢驗等各種各樣的特點。一直都在之后,SMU在半導體設備芯片檢驗該行業物品開發設汁,研發操作流程達到了范圍廣應運。一模一樣,相對 氮化鎵的檢驗,高效果SMU物品也是必不能夠少的交通工具。
1、普賽斯P系列高精度臺式脈沖源表
面向氮化鎵交流電非高壓規格的側量,意見和建議常用P編高計算的精密度臺式一體機脈寬激光激光源表。P編脈寬激光激光源表是普賽斯在傳統S編交流電源表的地基上制作的兩款高計算的精密度、大動態性、加數接觸源表,搜集端交流電壓降、交流電投入傳輸及側量等多樣功用,較大 的傳輸端交流電壓降達300V,較大 的脈寬激光激光傳輸交流電達10A,蘋果支持四象限事情,被豐富用領域于多種多樣電氣設備形態試驗中。設備可用領域于GaN的閾值法端交流電壓降,跨導試驗等公共場合。
- 脈沖直流,簡單易用
2、普賽斯E系列高壓源測單元
對於各類直流電經營形式 的軟件測試,普賽斯儀表板退出的E型號各類直流電程控交流電源兼備內容輸入傳輸及軟件測試電阻器值最大功率高(3500V)、能內容輸入傳輸及軟件測試微亮最大功率信號燈(1nA)、內容輸入傳輸及軟件測試最大功率0-100mA等特征。廠品還可以此次最大功率軟件測試,支撐恒壓恒流操作經營形式 ,老同事支撐豐富多彩的IV掃描拍攝經營形式 。廠品可使用于最大功率型各類直流電GaN的電壓擊穿電阻器值電阻器值最大功率,各類直流電漏最大功率軟件測試,動態信息導通電阻器等情況。其恒流經營形式 這對快速的軟件測試電壓擊穿電阻器值點兼備重點效果。
- ms級上升沿和下降沿
3、普賽斯HCPL系列大電流脈沖電流源
針對GaN極速單輸入脈沖信號信號式大直流電壓降測評場景中,可用到普賽斯HCPL品類高直流電壓降單輸入脈沖信號信號開關電源。食品設備兼有轉換直流電壓降大(1000A)、單輸入脈沖信號信號邊沿陡(一般耗時15μs)、扶持四公里單輸入脈沖信號信號電壓降估測(基線抽樣)包括扶持轉換化學性質添加等共同點。食品設備可適用于GaN的導通直流電壓降,導通電容,跨導測評等的場所。
4、普賽斯CP系列脈沖恒壓源
相對于GaN感應電流大小自熱相應測評情境,可通過普賽斯CP系例脈寬造成的恒壓源。企業車輛包括脈寬造成的感應電流大小大(是最高的可至10A);脈寬造成的寬窄(最窄可低至100ns);幫助直流電源、脈寬造成的兩種類型線電壓導出方法等特色。企業車輛可應該用于GaN的自熱相應,脈寬造成的S性能參數測評等施工地點。
*有些圖文設計由來于公開透明(ming)姿料歸置
在線
咨詢
掃碼
下載