集成電路測試貫穿了從設計、生產到實際應用的全過程,大致分為:
- 裝修設計的一階段的裝修設計的驗正軟件測試- 晶圓加工制造時段的新工藝監控視頻測量- 二極管封裝前的晶圓試驗- 裝封后的機器設備測驗芯片測試應用現狀
芯片測試作為芯片設計、生產、封裝、測試流程中的重要步驟,是使用特定儀器,通過對待測器件DUT(Device Under Test)的檢測,區別缺陷、驗證器件是否符合設計目標、分離器件好壞的過程。其中直流參數測試是檢驗芯片電性能的重要手段之一,常用的測試方法是FIMV(加電流測電壓)及FVMI(加電阻值測功率)。
老式的單片機芯片電性能參數軟件測試要有數臺電子義表完畢,如工作電壓源、直流電源、萬用表等,只不過由數臺電子義表組建的模式要有分開實施程序語言、同部、銜接、精確測量和分享,過程中很繁雜又耗時間,又占用率假如你軟件測試臺的余地,可是在使用單一純粹功用的電子義表和激勁源還有著很繁雜的相互間間驅散的操作,有大的不判定性處理及變慢的系統總線互傳轉速等的缺陷,是無法足夠工作效率率軟件測試的使用需求。實施芯片電性能測試的最佳工具之一是數字9源表(SMU),數字源表可(ke)作為獨立的恒壓源或恒流源、電(dian)壓表、電(dian)流表和電(dian)子負載,支持四象限(xian)功能,可(ke)提供恒流測壓及恒壓測流功能,可(ke)簡化芯片(pian)電(dian)性能測試方案。
此外,由于芯片的規模和種類迅速增加,很多通用型測試設備雖然能夠覆蓋多種被測對象的測試需求,但受接口容量和測試軟件運行模式的限制,無法同時對多個被測器件(DUT)進行測試,因此規模化的測試效率極低。特別是在生產和老化測試時,往往要求在同一時間內完成對多個DUT的測試,或者在單個DUT上異步或者同步地運行多個測試任務。
基于普賽斯CS系列多通道插卡式數字源表搭建的測試平臺,可進行多路供電及電參數的并行測試,高效、精確地對芯片進行電性能測試和測試數據的自動化處理。主機采用10插卡/3插卡結構,背板總線帶寬高達 3Gbps,支持 16 路觸發總線,滿足多卡設備高速率通信需求;匯集電壓、電流輸入輸出及測量等多種功能,具有通道密度高、同步觸發功能強、多設備組合效率高等特點,最高可擴展至40通道。

圖1:普賽斯CS系(xi)插卡式源表
(10插卡(ka)及3插卡(ka),高至40綠(lv)色通道)
基于數字源表SMU的芯片測試方案
在使用普賽斯號碼源表開展電源芯片的開短路故障檢驗(Open/Short Test)、漏電流檢驗(Leakage Test)及及DC規格檢驗(DC Parameters Test)。1、開短路測試(O/S測試)
開短路故障測式(Open-Short Test,也稱重復性或學習測式),使用于認可測式設計與元器件各種引腳的電學習性,測式的時候是外借對地確保二級管開始的,測式拼接電路原理如下所述下圖:
圖2:開不導通測試方法線路圖對(dui)接(jie)構造
2、漏電流測試
漏電流考試儀儀,又被稱為為Leakage Test,漏電流考試儀儀的目的意義主要是是質量檢驗發送Pin腳或高阻心態下的模擬輸出Pin腳的輸出阻抗能不夠高,考試儀儀接電路原理有以下幾點右圖:
圖3:漏電流(liu)測量(liang)的線(xian)路相連提醒(xing)
3、DC參數測試
DC叁數的試驗,普通一般會Force電流量端電壓試驗電流量端電壓甚至Force電流量端電壓試驗電流量端電壓,注意是試驗輸出阻抗性。普通所有DC叁數一般會在Datasheet邊表明,試驗的注意作用是保障電源芯片的DC叁數值不符內控范:
圖(tu)4:DC叁數考試(shi)火(huo)車線路銜接提醒

測試案例

測試(shi)圖(tu)片裝置(zhi)(zhi)硬件配置(zhi)(zhi)
Case 01 NCP1377B 開短路測試
檢查檢查 PIN 腳與 GND 兩者中接入工作狀態,檢查檢查期間中SMU選澤3V衡量范圍,增加-100μA輸出功率電流,限壓-3V,衡量輸出功率最終報告單表 1 圖甲中,輸出功率最終報告單在-1.5~-0.2 兩者中,檢查檢查最終報告單 PASS。*測試測試層面連入基準圖(tu)2

圖5:NCP1377B開(kai)漏電(dian)軟件測試結果
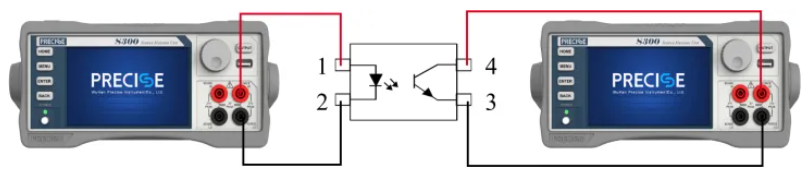
Case 02 TLP521 光電耦合器直流參數測試
光學合體器關鍵是由兩臺分組名成:光的放出端及光的接受到端。光的放出端關鍵是由亮光穩壓管組成部分,穩壓管的管腳為光耦的搜索端。光的接受到端關鍵是是光敏氯化鈉單硫化鋅管, 光敏氯化鈉單硫化鋅管是運用 PN 結在產生正向額定電壓時,在光源線直曬下正向熱敏電阻由大變小的方法來崗位的,氯化鈉單硫化鋅管的管腳為光耦的模擬輸出端。 真實案例用于多臺SMU采取軟件測試,整臺SMU與器材填寫端聯系方式,看作恒流源驅動器有光場效應管并估測填寫端關聯參數值值,另整臺SMU與器材輸送端聯系方式,看作恒壓源并估測輸送中端關聯參數值值。*測量(liang)方式接觸(chu)參(can)照(zhao)物圖4

圖6:BVECO 測(ce)式動態數(shu)據及線(xian)性

圖7:ICEO測試資料及(ji)弧線

圖8:鍵入基本特(te)征曲線(xian)擬合

圖9:輸(shu)入基本特性弧度

在線
咨詢
掃碼
下載